Zadávací dokumentace

Zadávací řízení: Gagarinova 5, Šumperk – výměna výtahu

Informace o dokumentu

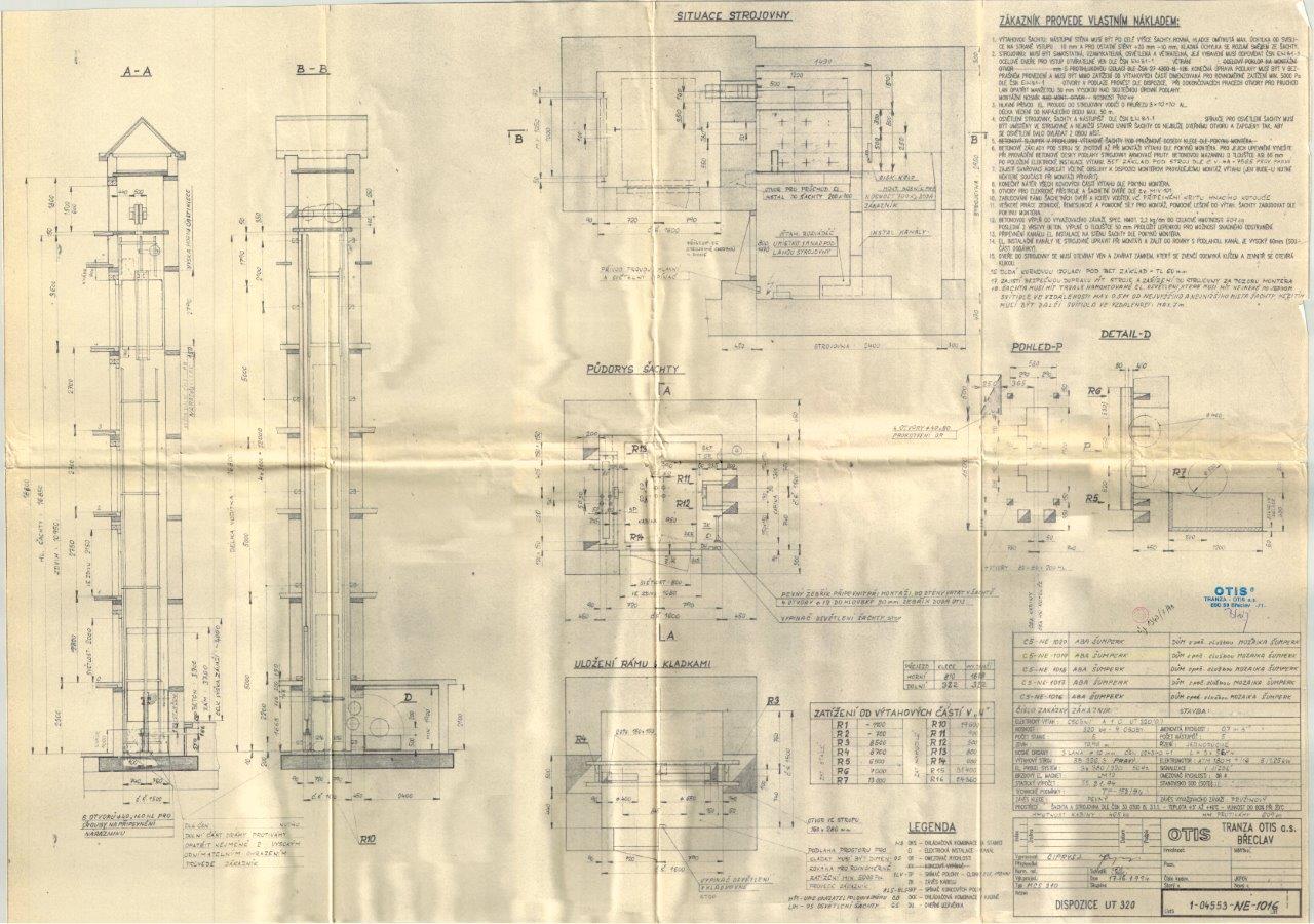
Název: Výkresová dokumentace k původnímu výtahu
Číslo jednací ve SpSl bez č.j.
ID ve SpSl nepřiděleno/neuvedeno
Popis:

Aktuální verze souboru

Jméno souboru: Obrázek JPEG HPSC0424.jpg
Velikost: 209,14 KiB
Aktuální verze souboru: 19.07.2017 10:34:38
Otisk MD5: 5ac0d7b0d1139981c99ad5cbc30647ff
Otisk SHA256: 90565f3b3a3bf0c22d8baa41cc4f2d4e51a179be29c5c281a6f413b22d635396

Historie souboru

Datum Název Popis Typ dokumentu Jméno souboru Velikost
V 19.07.2017 10:34:38 Výkresová dokumentace k původnímu výtahu zadávací dokumentace - HPSC0424.jpg 209,14 KiB