DBID:
745
Systémové číslo:
P17V00000056Evidenční číslo zadavatele:
Sp.Zn: 65152/2017 MJP/LESA
Datum zahájení:
19.07.2017
Nabídku podat do:
31.07.2017 13:00
Název, druh veřejné zakázky a popis předmětu
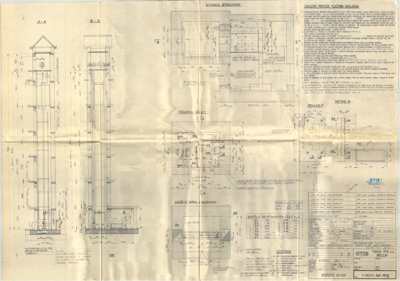
- Název: Gagarinova 5, Šumperk – výměna výtahu
- Druh veřejné zakázky: Stavební práce
Stručný popis předmětu:
Předmětem plnění zakázky je výměna 1 výtahu v domě na ul. Gagarinova 5 v Šumperku.
Postup zadání, předpokládaná hodnota
-
Postup:
VZMR s uveřejněním výzvy
-
Režim veřejné zakázky:
VZ malého rozsahu
- Předpokládaná hodnota:
neuvedena
Zadavatel
- Úřední název: Město Šumperk
- IČO: 00303461
- Poštovní adresa:
nám. Míru 1, 787 01 Šumperk
-
Název oddělení:
Majetkoprávní odbor
- Id profilu zadavatele ve VVZ: 60057786
Adresa kontaktního místa
Nabídky, resp. žádosti o účast podávat na:
prostřednictvím elektronického nástroje E-ZAK (https://zakazky.sumperk.cz)
Žádné záznamy k zobrazení.
Kvalifikační dokumentace není poskytována (resp. je součástí zadávací dokumentace).
Zadávací dokumentace je poskytována elektronicky bez omezení.
Zadávací dokumentace - soubory ke stažení
Zadávací dokumentace - výzva
| Datum |
Druh zprávy |
Odesílatel |
Předmět |
o. |
|
19.07.2017 11:38
|
výzva
|
Lenka Salcburgerová
|
Výzva
|
|
|
Žádné vysvětlení, doplnění či změny zadávací dokumentace k zobrazení. Zkontrolujte též blok Zadávací dokumentace.